REFERENCE DATA · TECHNICAL SPECIFICATION
플랜지 치수표 & 배관 치수표
JIS / ANSI 규격 플랜지 치수와 KS(JIS) / ASTM 기준 배관 외경·두께 참조 데이터입니다.
플랜지 규격별 치수 (Standard Flange Dimensions)
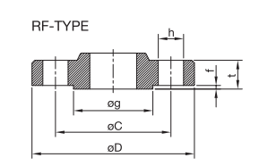
øD: 외경 | t: 두께 | f: 면 높이 | øg: 개스킷 자리 | øC: PCD | n: 구멍수 | øh: 구멍지름 (mm)
FF (Flat Face)

RF (Raised Face)

JIS 10k
ISO · JIS| Pipe | øD | t | f | øg | øC | n | øh |
|---|---|---|---|---|---|---|---|
| 10A | 90 | 12 | 1 | 46 | 65 | 4 | 15 |
| 15A | 95 | 12 | 1 | 51 | 70 | 4 | 15 |
| 20A | 100 | 14 | 1 | 56 | 75 | 4 | 15 |
| 25A | 125 | 14 | 1 | 67 | 90 | 4 | 19 |
| 32A | 135 | 16 | 2 | 76 | 100 | 4 | 19 |
| 40A | 140 | 16 | 2 | 81 | 105 | 4 | 19 |
| 50A | 155 | 16 | 2 | 96 | 120 | 4 | 19 |
| 65A | 175 | 18 | 2 | 116 | 140 | 4 | 19 |
| 80A | 185 | 18 | 2 | 126 | 150 | 8 | 19 |
| 100A | 210 | 18 | 2 | 151 | 175 | 8 | 19 |
ANSI 150
ASME · ANSI| Pipe | øD | t | f | øg | øC | n | øh |
|---|---|---|---|---|---|---|---|
| 1/2" | 89 | 11.2 | 1.6 | 35 | 60.5 | 4 | 15 |
| 3/4" | 98 | 12.7 | 1.6 | 43 | 70 | 4 | 15 |
| 1" | 108 | 14.3 | 1.6 | 51 | 79.5 | 4 | 15 |
| 1 1/4" | 117 | 15.9 | 1.6 | 64 | 89 | 4 | 15 |
| 1 1/2" | 127 | 17.5 | 1.6 | 73 | 98.5 | 4 | 15 |
| 2" | 152 | 19.1 | 1.6 | 92 | 120.5 | 4 | 19 |
| 2 1/2" | 178 | 22.3 | 1.6 | 105 | 139.5 | 4 | 19 |
| 3" | 190 | 23.9 | 1.6 | 127 | 152.5 | 4 | 19 |
| 3 1/2" | 216 | 23.9 | 1.6 | 140 | 178 | 8 | 19 |
| 4" | 229 | 23.9 | 1.6 | 157 | 190.5 | 8 | 19 |
JIS 20k
ISO · JIS| Pipe | øD | t | f | øg | øC | n | øh |
|---|---|---|---|---|---|---|---|
| 10A | 90 | 14 | 1 | 46 | 65 | 4 | 15 |
| 15A | 95 | 14 | 1 | 51 | 70 | 4 | 15 |
| 20A | 100 | 16 | 1 | 56 | 75 | 4 | 15 |
| 25A | 125 | 16 | 1 | 67 | 90 | 4 | 19 |
| 32A | 135 | 18 | 2 | 76 | 100 | 4 | 19 |
| 40A | 140 | 18 | 2 | 81 | 105 | 4 | 19 |
| 50A | 155 | 18 | 2 | 96 | 120 | 8 | 19 |
| 65A | 175 | 20 | 2 | 116 | 140 | 8 | 19 |
| 80A | 200 | 22 | 2 | 132 | 160 | 8 | 23 |
| 100A | 225 | 24 | 2 | 160 | 185 | 8 | 23 |
ANSI 300
ASME · ANSI| Pipe | øD | t | f | øg | øC | n | øh |
|---|---|---|---|---|---|---|---|
| 1/2" | 95 | 14.3 | 1.6 | 35 | 66.5 | 4 | 15 |
| 3/4" | 117 | 15.9 | 1.6 | 43 | 82.5 | 4 | 19 |
| 1" | 124 | 17.5 | 1.6 | 51 | 89 | 4 | 19 |
| 1 1/4" | 133 | 19.1 | 1.6 | 64 | 98.5 | 4 | 19 |
| 1 1/2" | 156 | 20.7 | 1.6 | 73 | 114.5 | 4 | 22 |
| 2" | 165 | 22.3 | 1.6 | 92 | 127 | 8 | 19 |
| 2 1/2" | 190 | 25.4 | 1.6 | 105 | 149 | 8 | 22 |
| 3" | 210 | 28.6 | 1.6 | 127 | 168 | 8 | 22 |
| 3 1/2" | 229 | 30.2 | 1.6 | 140 | 184 | 8 | 22 |
| 4" | 254 | 31.8 | 1.6 | 157 | 200 | 8 | 22 |
JIS 30k
ISO · JIS| Pipe | øD | t | f | øg | øC | n | øh |
|---|---|---|---|---|---|---|---|
| 10A | 110 | 16 | 1 | 52 | 75 | 4 | 19 |
| 15A | 115 | 18 | 1 | 55 | 80 | 4 | 19 |
| 20A | 120 | 18 | 1 | 60 | 85 | 4 | 19 |
| 25A | 130 | 20 | 1 | 70 | 95 | 4 | 19 |
| 32A | 140 | 22 | 2 | 80 | 105 | 4 | 19 |
| 40A | 160 | 22 | 2 | 90 | 120 | 4 | 23 |
| 50A | 165 | 22 | 2 | 105 | 130 | 8 | 19 |
| 65A | 200 | 26 | 2 | 130 | 160 | 8 | 23 |
| 80A | 210 | 28 | 2 | 140 | 170 | 8 | 23 |
| 100A | 240 | 32 | 2 | 160 | 195 | 8 | 25 |
ANSI 600
ASME · ANSI| Pipe | øD | t | f | øg | øC | n | øh |
|---|---|---|---|---|---|---|---|
| 1/2" | 95 | 20.7 | 6.4 | 35 | 66.5 | 4 | 15 |
| 3/4" | 117 | 22.3 | 6.4 | 43 | 82.5 | 4 | 19 |
| 1" | 124 | 23.9 | 6.4 | 51 | 89 | 4 | 19 |
| 1 1/4" | 133 | 27.1 | 6.4 | 64 | 98.5 | 4 | 19 |
| 1 1/2" | 156 | 28.7 | 6.4 | 73 | 114.5 | 4 | 22 |
| 2" | 165 | 31.8 | 6.4 | 92 | 127 | 8 | 19 |
| 2 1/2" | 190 | 35 | 6.4 | 105 | 149 | 8 | 22 |
| 3" | 210 | 38.2 | 6.4 | 127 | 168 | 8 | 22 |
| 3 1/2" | 229 | 41.4 | 6.4 | 140 | 184 | 8 | 25 |
| 4" | 273 | 44.5 | 6.4 | 157 | 216 | 8 | 25 |
치수 기호 안내
øD플랜지 외경
t플랜지 두께
f페이싱 높이
øg가스켓 시트 직경
øC볼트 원 직경 (PCD)
n볼트 구멍 수
øh볼트 구멍 직경
본 데이터는 관련 표준 규격을 바탕으로 작성되었으며, 설계 시 반드시 원본 규격서를 재확인하시기 바랍니다.